
miniBOOSTER Hydraulic Intensifier HC62-2.0-G
- Payment by invoice possible
- Not currently in stock, contact us for factory lead times
- Payment by invoice possible
- In stock at factory, ready to ship in estimated 1-2 weeks, contact us for expedited options
- Del Rey is proud to be the exclusive distributor of Waagene products
- Payment by invoice possible
- Low quantities typically kept on hand; please contact us for availability at lead time
- Authorized miniBOOSTER distributor & hydraulic excellence partner
Product Description
The HC62 – 2.0 – G is a high-flow unit, capable of delivering up to 43 liters per minute at high pressure. Similar to other miniBOOSTER models, it elevates supplied pressure to a higher outlet pressure while automatically compensating for oil consumption to sustain high pressure. Outlet pressure adjustment is achieved by varying supplied pressure. Compact at just 50.0 kg, it offers optional HP flange mounting and the ability to flange multiple units for increased flow.
Additional information
Product Specifications
- HC62 versions: 9 different intensification factors
- PIN: 20 – 207 bar
- PH: 800 bar maximum
- PRETURN: As low as possible (return pressure to tank)
- POUTLET: PH = (PIN – PRETURN) x intensification factor
- Mounting: Inline tube / HP-flange mounting (optional)
- Weight: 48.0 kg
Model Versions:
- A model = no dump valve
- B model = with dump valve
- G model = direct proportionally controlled
Material certificate 3.1 on request
Flow Rate
| Intensification Factor | Max. Intensified Outlet Flow (l/min) | Max. By-pass Pump Flow (l/min) |
|---|---|---|
| 1.2 | 43.0 | 150.0 |
| 1.5 | 37.0 | 150.0 |
| 2.0 | 32.0 | 150.0 |
| 2.5 | 26.0 | 150.0 |
| 3.3 | 22.0 | 150.0 |
| 4.0 | 18.0 | 150.0 |
| 4.9 | 14.0 | 150.0 |
| 6.3 | 11.0 | 150.0 |
| 8.2 | 9.0 | 150.0 |
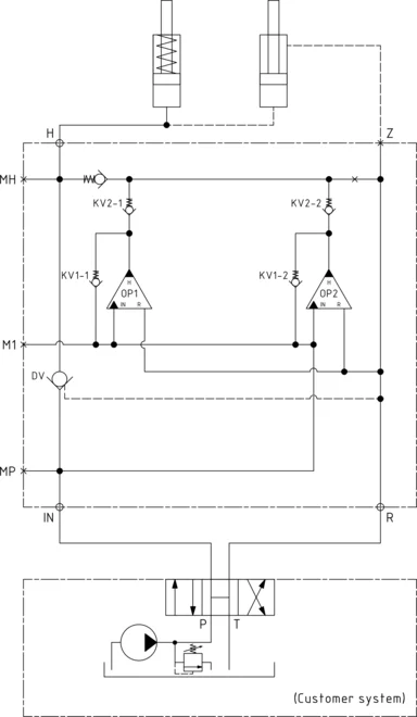
Functions Desctiption
Experience efficient hydraulic operation with our directional valve system. Oil is efficiently directed through the CV valve to the IN port, seamlessly flowing through check valves KV1, KV2, and DV to the high-pressure side H. Enjoy maximum flow through the booster for rapid forward function. Once pump pressure is attained on the high-pressure side, valves KV1, KV2, and DV close, and the oscillating pump unit OP takes over to maintain end pressure automatically. Even in cases of pressure drops due to consumption or leakage, the OP valve adjusts to ensure consistent end pressure. Discover reliable hydraulic performance with our innovative system.
Function Diagram G-model
Dimensions
Connection Types
| Connection | P / T | H / Z |
|---|---|---|
| 1 | 1″ BSPP | 1″ BSPP |
Ordering an HC62
Ordering example of an HC62 with i = 4.0, DV incorporated and BSPP connections: HC62 – 4.0 – B – 1
Attention note!
The G-model is available in 2 variants, when ordering please specify accordingly:
- Dynamic – low hysteresis: Ordering example of an HC62 with i = 4.0 RV incorporated and BSPP connections: HC62 – 4.0 – G – 1.
- Fail safe – high hysteresis: The RV valve opening ratio is to be determined on individual basis. Contact our technical support. Ordering example of an HC62 with i = 4.0 RV with opening ratio x.x incorporated and BSPP connections: HC62 – 4.0 – G – x.x – 1.
Model
- HC62

Intensification,i
- Select factor
- See flow rate table

Model Version.
- Select type
- A = without DV
- B = with DV
- G = with proportional valve

Connections.
- Your selection
- 1
Max. Tightening Torque BSPP
| P / T | H / Z | |
| 1″ BSPP | 1″ BSPP | |
| with steel washer | 33.0 da/Nm | 33.0 da/Nm |
| with cutting edge | 33.0 da/Nm | 33.0 da/Nm |
Mounting bolt
| Mounting bolt | ||
| M10 8.8 | 5.0 da/Nm |




