
miniBOOSTER Hydraulic Intensifier HC4H 17.3-G
- Payment by invoice possible
- Not currently in stock, contact us for factory lead times
- Payment by invoice possible
- In stock at factory, ready to ship in estimated 1-2 weeks, contact us for expedited options
- Del Rey is proud to be the exclusive distributor of Waagene products
- Payment by invoice possible
- Low quantities typically kept on hand; please contact us for availability at lead time
- Authorized miniBOOSTER distributor & hydraulic excellence partner
Product Description
The HC4H – 17.3 – G is a lightweight yet powerful high-pressure unit, designed for portable applications such as power packs. Weighing just 4.0 kg, it can deliver pressures up to 3,000 bar. This compact unit efficiently boosts supplied pressure to maintain high pressure automatically, compensating for oil consumption. Outlet pressure adjustment is achieved by varying the supplied pressure. The HP port features an M22x1.5 thread, with the option for different high-pressure adapters to accommodate various thread types. Higher pressure capabilities are also available upon request.
Additional information
Product Specifications
- Versions: 7 different intensification factors
- PIN: 20 – 207 bar
- PH: Maximum 3,000 bar
- PRETURN: As low as possible (return pressure to tank)
- POUTLET: PH = (PIN – PRETURN) x intensification factor
- Mounting: Inline tube
- Weight: 4.0 kg
Model Versions:
- A model = no dump valve
- B model = with dump valve
- G model = direct proportionally controlled
Flow Rate
| Intensification factor | Max. intensified outlet flow (l/min) | Max. inlet flow (l/min) |
|---|---|---|
| 5.1 | 4.1 | 40.0 |
| 6.3 | 3.4 | 40.0 |
| 7.7 | 2.8 | 40.0 |
| 9.8 | 2.2 | 40.0 |
| 12.7 | 1.6 | 40.0 |
| 16.0 | 1.3 | 40.0 |
| 17.3 | 1.2 | 40.0 |
| 25.0 | 0.8 | 40.0 |
Functions Description
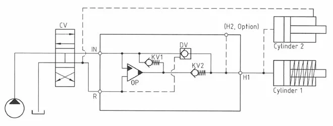
The basic operation is illustrated in the function diagram. Oil is fed through the directional valve CV to the IN port, flowing freely through the check valves KV1, KV2 and DV to the high-pressure side H. In this condition maximum flow through the booster is achieved, giving a fast-forward function. When pump pressure is reached on the high-pressure side H, valves KV1, KV2 and DV will close. The end pressure will be achieved by the oscillating pump unit OP. The unit will automatically stall when end pressure on the high-pressure side H is reached. If a pressure drop on the high-pressure side exists due to consumption or leakage, the OP valve will automatically operate to maintain the end pressure.
Function diagram HC4H-17.3-G

Dimensions
Connection Types
| Connection | IN / R | H |
|---|---|---|
| 1 | 3/8″ BSPP | M22 x 1.5 |
High-pressure adapters
High-pressure adapters HC4H-17.3-G
Ordering an HC4H
Ordering example of an HC4H with i = 12.7, H1 M22 x 1.5 and H2 9/16-18 UNF, DV incorporated and BSPP connections:
HC4H – 12.7 – B – 12
Attention note!
High-pressure adapter is required, please specify ordering code – see high-pressure adapter table.
High-pressure adapters will be factory mounted
- Dynamic – low hysteresis: Ordering example of an HC4H with i = 9.8 RV incorporated, H1 M22 x 1.5 and H2 9/16-18 UNF and BSPP connections: HC4H – 9.8 – G – 12.
- Fail safe – high hysteresis: The RV valve opening ratio is to be determined on individual basis. Contact our technical support..
Model
- HC4H

Intensification,i
- Select factor
- See flow rate table

Model Version.
- Select type
- A = without DV
- B = with DV
- G = with proportional valve

Connections.
- See table below
| Ordering code | IN / R | H1 | H2 | H3 | H4 | H5 |
|---|---|---|---|---|---|---|
| HC4H-___-__-11 | 3/8″ BSPP | M22 x 1.5 | – | – | – | – |
| HC4H-___-__-12 | 3/8″ BSPP | M22 x 1.5 | 3/4-16 UNF | – | – | – |
| HC4H-___-__-13 | 3/8″ BSPP | M22 x 1.5 | 3/4-16 UNF | 9/16-18 UNF | – | – |
| HC4H-___-__-14 | 3/8″ BSPP | M22 x 1.5 | 3/4-16 UNF | 9/16-18 UNF | 9/16-18 UNF | – |
| HC4H-___-__-15 | 3/8″ BSPP | M22 x 1.5 | 3/4-16 UNF | 9/16-18 UNF | 9/16-18 UNF | M12 x 1.5 |
Max. Tightening Torque BSPP
| IN / R | 3/8″ BSPP |
|---|---|
| with steel washer | 6.0 da/Nm |
| with cutting edge | 6.0 da/Nm |


