
PTC Press/Red Valve 28.5-170
$370.44
- Payment by invoice possible
- Not currently in stock, contact us for factory lead times
- Payment by invoice possible
- In stock at factory, ready to ship in estimated 1-2 weeks, contact us for expedited options
- Del Rey is proud to be the exclusive distributor of Waagene products
- Payment by invoice possible
- Low quantities typically kept on hand; please contact us for availability at lead time
- Authorized miniBOOSTER distributor & hydraulic excellence partner
Product Description
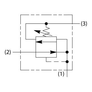
Parker’s PTC Press/Red Valve 28.5-170 is a direct acting reducing and relieving valve designed for intermittent duty applications, providing precise pressure regulation. With a flow capacity of up to 56 lpm (13 gpm) and pressure handling capabilities up to 420 bar (6000 psi), it meets the specific needs of reduced and regulated pressure functions.
Additional information
Product Specifications
| Part Number | PR103S21 | Brand | Parker |
| Configuration | Pressure Reducing/Relieving | Maximum Pressure Differential | 69 bar | 1000 psi |
| Division | Hydraulic Cartridge Systems Division | Function | Direct Acting |
| Seal Material | D-ring (Standard) | Valve Material | All parts steel. All operating parts hardened steel. |
| Adjustment Mechanism | Screw | Maximum Tank Pressure | 124 bar | 1800 psi |
| Maximum Operating Pressure | 210 bar | 3000 psi | Standard Setting Pressure | 69 bar | 1000 psi |
| Pressure Control Range | 600-1800 PSI, 41.4-124 BAR | 41.4-124 bar | 600-1800 psi | Flow Rate | 15 GAL/MIN, 56 L/MIN | 15 Gal/min | 56 L/min |
| Maximum Flow Rate | 15 Gal/min | 56 L/min | Maximum Drain Flow Rate | 0.03 Gal/min | 0.12 L/min |
| Maximum Inlet Pressure Rating | 210 bar | 3000 PSI, 210 BAR | 3000 psi | Filter Efficiency Rating | ISO 4406 18/16/13, SAE Class 4 |
| Pressure Control Sensitivity | 17.2 per turn bar | 250 per turn psi | Maximum Pressure Setting | 124 bar | 1800 psi |
| Cavity Size | C10-3 | Minimum Operating Temperature | -35 °F | -37 °C |
| Maximum Operating Temperature | +93 °C | +200 °F | Operating Temperature | -35 to +200 °F | -37 to +93 °C |
| Installation Torque | 37-41 lb-ft | 50-56 Nm | For Fluid Type | Mineral-based or synthetic hydraulic fluids |
| Mounting Type | Screw in cartridge valve | Actuation Type | Pressure Sensing |
| Operation Type | Automatic | Maximum Kinematic Viscosity | 45-2000 SSU (6 to 420 cSt) |
| Weight | 0.23 kg | 0.5 lb |
