
miniBOOSTER Hydraulic Intensifier M-HC22-3.2-G-1
- Payment by invoice possible
- Not currently in stock, contact us for factory lead times
- Payment by invoice possible
- In stock at factory, ready to ship in estimated 1-2 weeks, contact us for expedited options
- Del Rey is proud to be the exclusive distributor of Waagene products
- Payment by invoice possible
- Low quantities typically kept on hand; please contact us for availability at lead time
- Authorized miniBOOSTER distributor & hydraulic excellence partner
Product Description
The M-HC22 – 3.2 – G – 1 is a compact and lightweight field unit, weighing only 5.0 kg/ 11.0 Lbs, making it highly versatile for a wide range of applications requiring the generation and maintenance of high pressure.
Equipped with advanced features, the M-HC22 efficiently elevates supplied pressure to a higher outlet pressure while autonomously compensating for oil consumption to sustain the desired high pressure level.
Key components include a Pressure Reducing Valve (PRV) that regulates inlet pressure to the booster section, along with an optional orifice for controlling inlet flow to the maximum allowed for the selected intensification ratio.
With its integrated PRV, the M-HC22 ensures the protection of both the booster and high-pressure tools from excessively high pressures, guaranteeing a stable high-pressure output despite fluctuations in the tank line pressure.
Additional information
Product Specifications
- M-HC22 versions: 13 different intensification factors
- PIN: 20 – 207 bar
- PH: 800 bar maximum
- Q: Up to 40 l/min
- PRETURN: As low as possible (return pressure to tank)
- Weight: 5.0 kg/ 11.0 Lbs
Model Versions:
- A model = no dump valve
- B model = with dump valve
- G model = direct proportionally controlled
Material certificate 3.2 on request
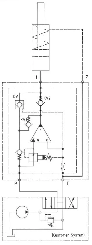
Functions Description
The basic operation is illustrated in the function diagram. Oil is fed through the directional valve (in the customer system) to the IN port, flowing freely through the PRV (pos. 5) and the internal check valves to the high-pressure side H.
When pump pressure is reached on the high-pressure side H, the internal check valves will close. The end pressure will be achieved by the oscillating pump unit OP. The unit will automatically stall when end pressure on the high-pressure side H is reached. If a pressure drop on the high-pressure side exists due to consumption or leakage, the OP valve will automatically operate to maintain the end pressure.
Function Diagram
Function Diagram M-HC22-3.2-G-1

Dimensions
Dimensions Diagram M-HC22-3.2-G-1
Connection Types
| Connection | P / T / Z | H |
|---|---|---|
| 1 | M14 x 1.5 with 24° cone | 1″ BSPP |
Ordering an M-HC22
Ordering example of an M-HC22 with i = 3.2, DV incorporated and BSPP connections: M-HC22 – 3.2 – G – 1.
Attention note!
The G-model is available in 2 variants, when ordering please specify accordingly:
- Dynamic – low hysteresis: Ordering example of an M-HC22 with i = 3.2 RV incorporated and BSPP connections: M-HC22 – 3.2 – G – 1
- Fail safe – high hysteresis: The RV valve opening ratio is to be determined on individual basis. Contact our technical support.
Ordering example of an M-HC22 with i = 3.2 RV with opening ratio x.x incorporated and BSPP connections: M-HC22 – 3.2 – G – x.x – 1
Model
- M-HC22

Intensification, i
- Select factor
- See flow rate table

Model Version.
- Select type
- A = without DV
- B = with DV
- G = with proportional valve

Connections
- Select thread
- 1 = BSPP
Selection of intensification factor
| Model | Intensification | Model version | Connection |
|---|---|---|---|
| M-HC22 | 1.2 | A, B or G | 1 |
| M-HC22 | 1.5 | A, B or G | 1 |
| M-HC22 | 2.0 | A, B or G | 1 |
| M-HC22 | 2.2 | A, B or G | 1 |
| M-HC22 | 2.5 | A, B or G | 1 |
| M-HC22 | 2.8 | A, B or G | 1 |
| M-HC22 | 3.2 | A, B or G | 1 |
| M-HC22 | 4.0 | A, B or G | 1 |
| M-HC22 | 5.0 | A, B or G | 1 |
| M-HC22 | 6.6 | A, B or G | 1 |
| M-HC22 | 9.0 | A, B or G | 1 |
| M-HC22 | 13.0 | A, B or G | 1 |
| M-HC22 | 20.0 | A, B or G | 1 |
Max. tightening torque
| P / T / Z | H | ||
| M14 x 1.5 | 1/4″ BSPP | ||
| with steel washer | 4.0 da/Nm | 4.0 da/Nm | |
|
4.0 da/Nm | 4.0 da/Nm |


