miniBOOSTER Hydraulic Intensifier HC65-1.3-A-1

Category: Tag:

Product Description

The HC65 – 1.3 – A – 1 is a lightweight unit at 11.0 kg/ 24.2 lbs, designed for applications requiring high-pressure maintenance. It features a counterbalance valve, facilitating rapid cylinder movement by directing full inlet flow through the booster until the set pressure is achieved. Upon reaching high-pressure side H, automatic stall occurs, with continuous compensation for oil consumption to maintain pressure. Outlet pressure adjustment is achieved by varying the supplied pressure, with an optional orifice available to prevent overspeeding.

Additional information

Product specification

  • HC65 versions: 9 different intensification factors.
  • PIN: 20 – 207 bar.
  • PH: 800 bar maximum.
  • PRETURN: As low as possible (return pressure to tank).
  • POUTLET: PH = (PIN – PRETURN) x intensification factor.
  • Mounting: Inline tube.
  • Weight: 11.0 kg/ 24.2 lbs.

Model versions

  • A model = no dump valve.
  • B model = with dump valve.

Material certificate 1.3 on request

Flow Rates

Intensification Factor i Max.Intensified Outlet flow i/min Max. Inlet flow i/min
1.3 20.3 50.0
1.5 28.3 80.0
1.9 22.3 80.0
2.5 17.0 80.0
3.3 12.8 80.0
4.0 10.6 80.0
4.9 8.6 80.0
6.3 6.7 80.0
8.2 5.2 80.0

Function description

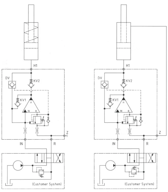
The basic operation is illustrated in the function diagram. Oil is fed through the directional valve (in the customer system) to the IN port, flowing freely through the internal check valves to the high-pressure side H. When pump pressure is reached on the high-pressure side H, the internal check valves will close. The end pressure will be achieved by the oscillating pump unit OP. The unit will automatically stall when the high-pressure side H is reached. If a pressure drop on the high-pressure side exists due to consumption or leakage, the OP valve will automatically operate to maintain the end pressure.

Function diagram

Function diagram HC65-1.3-A-1

Dimension

Dimension drawing HC65-1.3-A-1

Connection Types

 

Connection IN/R H
1 1/2″ BSPP 1/2″ BSPP

 

Ordering an HC65

Ordering example of an HC65 with i = 1.3, DV incorporated and BSPP connections: HC65 – 1.3 – A – 1

Attention note!

Valve pre-settings are required, please specify when ordering the intensifier.

Model

  • HC65

Intensification,

  • Select factor
  • See flow rate table

Model Version.

  • Select type
  • A = without DV
  • B = with DV

Connections

  • Select thread
  • 1 = BSPP

 

Max. tightening torque BSPP

IN / R H
1/2″ BSPP 1/2″ BSPP
with steel washer 13.0 da/Nm 13.0 da/Nm
with cutting edge 13.0 da/Nm 13.0 da/Nm