
miniBOOSTER Hydraulic Intensifier HC3-25.0-G-D
- Payment by invoice possible
- Not currently in stock, contact us for factory lead times
- Payment by invoice possible
- In stock at factory, ready to ship in estimated 1-2 weeks, contact us for expedited options
- Del Rey is proud to be the exclusive distributor of Waagene products
- Payment by invoice possible
- Low quantities typically kept on hand; please contact us for availability at lead time
- Authorized miniBOOSTER distributor & hydraulic excellence partner
Product Description
The HC3 – 25.0 – G – D is a variant of the HC3, with all ports in one end. The entire pattern is a miniBOOSTER design. It is a compact unit weighing only 1.75 kg/ 3.9 lbs. Maximum outlet pressure is 800 bar in standard versions. An adjustment of the outlet pressure is carried out by varying the supplied pressure.
Additional information
Product specification
- HC3 – D versions: 15 different intensification factors.
- PIN: 20 – 207 bar.
- PH: 800 bar maximum.
- PRETURN: As low as possible (return pressure to tank).
- POUTLET: PH = (PIN – PRETURN) x intensification factor.
- Mounting: Manifold system miniBOOSTER pattern.
- Weight: 1.75 kg/ 3.9 lbs.
Model versions
- A model = no dump valve.
- B model = with dump valve.
- G model = direct proportionally controlled.
Material certificate 25.0 on request
Flow Rates
| Intensification Factor i | Max.Intensified Outlet flow i/min | Max. Inlet flow i/min |
|---|---|---|
| 1.2 | 3.5 | 8.0 |
| 1.5 | 4.2 | 12.0 |
| 2.0 | 3.2 | 12.0 |
| 2.2 | 2.9 | 12.0 |
| 2.5 | 2.7 | 13.0 |
| 2.8 | 2.5 | 13.0 |
| 3.2 | 2.5 | 15.0 |
| 4.0 | 2.0 | 14.0 |
| 5.0 | 1.6 | 14.0 |
| 6.6 | 1.3 | 13.0 |
| 9.0 | 0.9 | 13.0 |
| 13.0 | 0.6 | 12.0 |
| 16.0 | 0.5 | 12.0 |
| 20.0 | 0.3 | 12.0 |
| 25.0 | 0.2 | 12.0 |
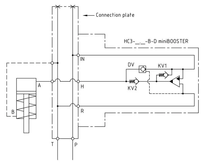
Function description
The basic operation is illustrated in the function diagram. The oil is fed through the connecting plate to the IN port of the HC3-D flowing freely through check valves KV1, KV2 and DV to the high-pressure side H. From the high-pressure side H oil is fed to port A on the connecting plate. In this condition maximum flow through the booster is achieved giving a fast-forward function. When pump pressure is reached on the high-pressure side H, valves KV1, KV2 and DV will close. The end pressure will be achieved by the oscillating pump unit OP. The unit will automatically stall when end pressure on the high-pressure side is reached. If a pressure drop on the high-pressure side exists due to consumption or leakage, the OP valve will automatically operate to maintain the end pressure.
Function diagram

Dimension
Dimension drawing HC3-25.0-G-D
Ordering an HC3-D
Ordering example of an HC3 – D with i = 25.0, DV incorporated: HC3 – 25.0 – G – D
Attention note!
- Dynamic – low hysteresis: Ordering example of an HC3 with i = 25.0 RV incorporated: HC3 – 25.0 – G – D.
- Fail safe – high hysteresis: The RV valve opening ratio is to be determined on individual basis. Contact our technical support.
Model
- HC3

Intensification,i
- Select factor
- See flow rate table

Model Version.
- Select type
- A = without DV
- B = with DV
- G = with proportional valve

Connections.
- D
