
miniBOOSTER Hydraulic Intensifier HC25W-3.2-B-1S
- Payment by invoice possible
- Not currently in stock, contact us for factory lead times
- Payment by invoice possible
- In stock at factory, ready to ship in estimated 1-2 weeks, contact us for expedited options
- Del Rey is proud to be the exclusive distributor of Waagene products
- Payment by invoice possible
- Low quantities typically kept on hand; please contact us for availability at lead time
- Authorized miniBOOSTER distributor & hydraulic excellence partner
Product Description
The HC25W – 3.2 – B – 1S miniBOOSTER, weighing 2.3 kg/5.0 lbs, features stainless steel construction and a counterbalance valve for rapid cylinder movement. It automatically stalls upon reaching high pressure, with continuous compensation for media consumption. Outlet pressure adjustment is achieved by varying the supplied pressure. Optional orifice installation in the R-port prevents overspeeding.
Additional information
Product specification
- HC25W versions: 12 different intensification factors.
- PIN: 20 – 207 bar.
- PH: 800 bar maximum.
- PRETURN: As low as possible (return pressure to tank).
- POUTLET: PH = (PIN – PRETURN) x intensification factor.
- Mounting: Inline tube.
- Weight: 2.3 kg/5.0 lbs.
Model versions
- A model = no dump valve.
- B model = with dump valve.
Material certificate 3.2 on request
Flow Rates
| Intensification Factor i | Max.Intensified Outlet flow i/min | Max. Inlet flow i/min |
|---|---|---|
| 1.2 | 3.5 | 8.0 |
| 1.5 | 4.2 | 12.0 |
| 2.0 | 3.2 | 12.0 |
| 2.2 | 2.9 | 12.0 |
| 2.5 | 2.7 | 13.0 |
| 2.8 | 2.5 | 13.0 |
| 3.2 | 2.5 | 15.0 |
| 4.0 | 2.0 | 14.0 |
| 5.0 | 1.6 | 14.0 |
| 6.6 | 1.3 | 13.0 |
| 9.0 | 0.9 | 13.0 |
| 13.0 | 0.6 | 12.0 |
| 20.0 | 0.3 | 12.0</td |
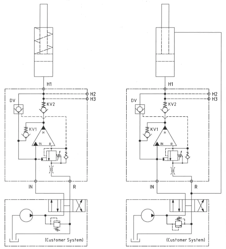
Function description
The basic operation is illustrated in the function diagram. Media is fed through the directional valve (in the customer system) to the IN port, flowing freely through the internal check valves to the high-pressure side H. When pump pressure is reached on the high-pressure side H, the internal check valves will close. The end pressure will be achieved by the oscillating pump unit OP. The unit will automatically stall when the high-pressure side H is reached. If a pressure drop on the high-pressure side exists due to consumption or leakage, the OP valve will automatically operate to maintain the end pressure.
Function diagram
Function diagram HC25W-3.2-B-1S

Dimension
Dimension drawing HC25W-3.2-B-1S
Connection Types
| Connection | IN/R | H |
|---|---|---|
| 1 | 1/4″ BSPP | 1/4″ BSPP |
Ordering an HC25W
Ordering example of an HC25W with i = 3.2, DV incorporated with BSPP connections for media > 5 cSt (mm2/s) tested in oil:
HC25W – 3.2 – B – 1S
Attention note!
Valve pre-setting is required, please specify when ordering the intensifier.

Model
- HC25W

Intensification,
- Select factor
- See flow rate table

Model Version.
- Select type
- A = without DV
- B = with DV

Connections
- Select thread
- 1S = BSPP, media > 5 cSt



