
miniBOOSTER Hydraulic Intensifier HC2-2.2-A-F
- Payment by invoice possible
- Not currently in stock, contact us for factory lead times
- Payment by invoice possible
- In stock at factory, ready to ship in estimated 1-2 weeks, contact us for expedited options
- Del Rey is proud to be the exclusive distributor of Waagene products
- Payment by invoice possible
- Low quantities typically kept on hand; please contact us for availability at lead time
- Authorized miniBOOSTER distributor & hydraulic excellence partner
Product Description
The HC2 – 2.2 – A – F, a flange-mounted variant of the HC2, is specifically designed for low-pressure side applications. Employing the miniBOOSTER design, this compact unit, weighing a mere 1.2 kg/ 2.6 lbs, proves to be an ideal solution for scenarios demanding the generation and sustenance of high pressure. In operation, the HC2 – 2.2 – A – F elevates the supplied pressure to achieve a higher outlet pressure and intuitively adjusts for oil consumption to uphold the desired high pressure. The outlet pressure can be finely tuned by manipulating the supplied pressure, providing a versatile solution for various applications where precise pressure control is paramount. This feature makes it suitable for use in diverse settings where the generation and maintenance of high pressure are essential for optimal performance.
Additional information
Product specification
- HC2-F versions: 15 different intensification factors.
- PIN: 20–207 bar.
- PH: 800 bar maximum.
- PRETURN: As low as possible (return pressure to tank).
- POUTLET: PH = (PIN – PRETURN) x intensification factor.
- Mounting: Flange, manifold system miniBOOSTER pattern.
- Weight: 1.2 kg/2.6 lbs.
Model versions
- A model = no dump valve.
- B model = with dump valve.
- G model = direct proportionally controlled.
Material certificate 2.2 on request
Flow Rates
| Intensification Factor i | Max.Intensified Outlet flow i/min | Max. Inlet flow i/min |
|---|---|---|
| 1.2 | 3.5 | 8.0 |
| 1.5 | 4.2 | 12.0 |
| 2.0 | 3.2 | 12.0 |
| 2.2 | 2.9 | 12.0 |
| 2.5 | 2.7 | 13.0 |
| 2.8 | 2.5 | 13.0 |
| 3.2 | 2.5 | 15.0 |
| 4.0 | 2.0 | 14.0 |
| 5.0 | 1.6 | 14.0 |
| 6.6 | 1.3 | 13.0 |
| 9.0 | 0.9 | 13.0 |
| 13.0 | 0.6 | 12.0 |
| 16.0 | 0.5 | 12.0 |
| 20.0 | 0.3 | 12.0 |
| 25.0 | 0.2 | 12.0 |
Function description
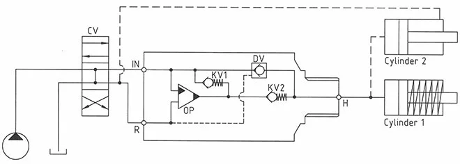
The basic operation is illustrated in the function diagram. Oil is fed through the directional valve CV to the IN port, flowing freely through the check valves KV1, KV2 and DV to the high-pressure side H. In this condition maximum flow through the booster is achieved giving a fast-forward function.
When pump pressure is reached on the high-pressure side H, valves KV1, KV2 and DV will close. The end pressure will be achieved by the oscillating pump unit OP. The unit will automatically stall when end pressure on the high-pressure side H is reached. If a pressure drop on the high-pressure side exists due to consumption or leakage, the OP valve will automatically operate to maintain the end pressure.
Function diagram

Dimension
Connection Types
| Connection | IN/R | H |
|---|---|---|
| 1F | Flange | 1/4″ BSPP |
| 2F | Flange | 9/16-18 UNF |
Ordering an HC2-F
Ordering example of an HC2-F with i = 2.2 DV incorporated and BSPP connections: HC2 – 2.2 – A – F
Attention note!
- Dynamic – low hysteresis: Ordering example of an HC2-F with i = 2.2 RV incorporated and BSPP connection on the H-Port: HC2 – 2.2 – A – F.
- Fail safe – high hysteresis: The RV valve opening ratio is to be determined on individual basis. Contact our technical support.
Model
- HC2

Intensification,i
- Select factor
- See flow rate table

Model Version.
- Select type
- A = without DV
- B = with DV
- G = with proportional valve

Connections
- Select thread
- 1F = BSPP H-port
- 2F = UNF H-port


