miniBOOSTER Hydraulic Intensifier HC2-1.5-A-1

Category: Tag:

Product Description

The HC2 – 1.5 – A – 1, a compact unit with a weight of only 1.0 kg/2.2 lbs, is well-suited for a range of applications where the creation and sustenance of high pressure are essential. Much like other miniBOOSTER models, the HC2 – 1.5 – A – 1 enhances the supplied pressure to achieve a higher outlet pressure and autonomously compensates for oil consumption to uphold the elevated pressure. Fine-tuning of the outlet pressure can be achieved by adjusting the supplied pressure.

Additional information

Product specification

  • HC2 versions: 15 different intensification factors.
  • PIN: 20–207 bar.
  • PH: 800 bar maximum.
  • PRETURN: As low as possible (return pressure to tank).
  • POUTLET: PH = (PIN – PRETURN) x intensification factor.
  • Mounting: Inline tube.
  • Weight: 1.0 kg/2.2 lbs.

Model versions

  • A model = no dump valve.
  • B model = with dump valve.
  • G model = direct proportionally controlled.

Material certificate 1.5 on request

Flow Rates

Intensification Factor i Max.Intensified Outlet flow i/min Max. Inlet flow i/min
1.2 3.5 8.0
1.5 4.2 12.0
2.0 3.2 12.0
2.2 2.9 12.0
2.5 2.7 13.0
2.8 2.5 13.0
3.2 2.5 15.0
4.0 2.0 14.0
5.0 1.6 14.0
6.6 1.3 13.0
9.0 0.9 13.0
13.0 0.6 12.0
16.0 0.5 12.0
20.0 0.3 12.0
25.0 0.2 12.0

Function description

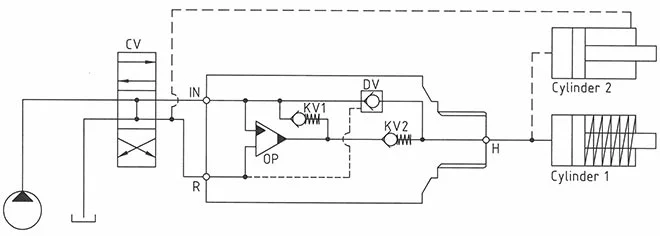
The basic operation is illustrated in the function diagram. Oil is fed through the directional valve CV to the IN port, flowing freely through the check valves KV1, KV2 and DV to the high-pressure side H. In this condition maximum flow through the booster is achieved giving a fast-forward function.
When pump pressure is reached on the high-pressure side H, valves KV1, KV2 and DV will close. The end pressure will be achieved by the oscillating pump unit OP. The unit will automatically stall when end pressure on the high-pressure side H is reached. If a pressure drop on the high-pressure side exists due to consumption or leakage, the OP valve will automatically operate to maintain the end pressure.

Function diagram

Function-Diagram HC2-1.5-A-1

Dimension

Dimension drawing HC2-1.5-A-1

Connection Types

Connection IN/R H
1 1/4″ BSPP 1/4″ BSPP
2 7/16-20 UNF 9/16-18 UNF

 

Ordering an HC2

Ordering example of an HC2 with i = 1.5 DV incorporated and BSPP connections: HC2 – 1.5 – A – 1

Attention note!

  • Dynamic – low hysteresis: Ordering example of an HC2 with i = 1.5 RV incorporated and BSPP connections: HC2 – 1.5 – A – 1.
  • Fail safe – high hysteresis: The RV valve opening ratio is to be determined on individual basis. Contact our technical support.

Model

  • HC2

Intensification,i

  • Select factor
  • See flow rate table

Model Version.

  • Select type
  • A = without DV
  • B = with DV
  • G = with proportional valve

Connections

  • Select thread
  • 1 = BSPP
  • 2 = UNF