
miniBOOSTER Hydraulic Intensifier HC1-4.8-G-W
- Payment by invoice possible
- Not currently in stock, contact us for factory lead times
- Payment by invoice possible
- In stock at factory, ready to ship in estimated 1-2 weeks, contact us for expedited options
- Del Rey is proud to be the exclusive distributor of Waagene products
- Payment by invoice possible
- Low quantities typically kept on hand; please contact us for availability at lead time
- Authorized miniBOOSTER distributor & hydraulic excellence partner
Product Description
The HC1 – 4.8 – G – W a compact stainless steel 316L miniBOOSTER unit weighing just 0.7 kg, is designed for versatile mounting on or within tools, power packs, or other devices. Its primary function is to elevate supplied pressure to a higher outlet pressure while autonomously compensating for oil consumption to sustain the elevated pressure level. Adjustment of the outlet pressure is achieved by modulating the supplied pressure.
Additional information
Product Specifications
- HC1W versions: 9 different intensification factors
- PIN: 20 – 207 bar
- PH: 800 bar maximum
- PRETURN: As low as possible (return pressure to tank)
- POUTLET: PH = (PIN – PRETURN) x intensification factor
- Mounting: Inline tube
- Weight: 0.7 kg
Model Versions:
- A model = no dump valve
- B model = with dump valve
- G model = direct proportionally controlled
Material certificate 3.1 on request
Flow Rate
| Intensification Factor | Max. Intensified Outlet Flow (l/min) | Max. Inlet Flow (l/min) |
|---|---|---|
| 1.2 | 3.0 | 8.0 |
| 1.5 | 2.8 | 8.0 |
| 2.0 | 2.1 | 8.0 |
| 2.8 | 1.5 | 8.0 |
| 3.3 | 1.3 | 8.0 |
| 4.0 | 1.1 | 8.0 |
| 4.8 | 0.9 | 8.0 |
| 6.2 | 0.7 | 8.0 |
| 7.5 | 0.5 | 8.0 |
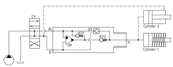
Functions Description
The hydraulic system operates as follows: Initially, oil is directed through the directional valve CV to the IN port, where it flows unhindered through check valves KV1, KV2, and DV to the high-pressure side H, enabling maximum flow through the booster for rapid forward function. Once the pump pressure is attained on the high-pressure side, valves KV1, KV2, and DV close, and the oscillating pump unit OP maintains the end pressure automatically. If pressure diminishes on the high-pressure side due to usage or leakage, the OP valve kicks in to sustain the end pressure level.
Function Diagram
Dimensions
Connection Types
| Connection | IN / R | H |
|---|---|---|
| 1 | 1/8″ BSPP | 1/4″ BSPP |
Ordering an HC1W
Ordering examples of an HC1W:
with i = 4.0, DV incorporated with BSPP connections for media < 5 cSt (mm2/s) tested in water: HC1W – 4.0 – B – 1 with i = 4.0, DV incorporated with BSPP connections for media > 5 cSt (mm2/s) tested in oil: HC1W – 4.0 – B – 1S
Attention note!
The G-model is available in 2 variants, when ordering please specify accordingly:
- Dynamic – low hysteresis: Ordering example of an HC1W with i = 4.0 RV incorporated and BSPP connections: HC1W – 4.0 – G – 1
- Fail safe – high hysteresis: The RV valve opening ratio is to be determined on an individual basis. Contact our technical support. Ordering example of an HC1W with i = 4.0 RV with opening ratio x.x incorporated and BSPP connections: HC1W – 4.0 – G – x.x – 1
Model
- HC1W

Intensification, I
- Select factor
- See flow rate table

Model Version.
- Select type
- A = without DV
- B = with DV
- G = with proportional valve
Connections.
- Select thread
- 1 = BSPP, media < 5 cSt
- 1S = BSPP, media > 5 cSt
Max. Tightening Torque BSPP
| IN / R | H | |
| 1/8″ BSPP | 1/4″ BSPP | |
| with stainless steel washer | 13.0 da/Nm | 4.0 da/Nm |



