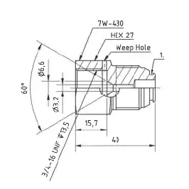
7W-430 – M22×1.5 to 3/4-16 UNF (3/8 HP) HC7W High-Pressure Adapter

Availability: Out of stock Category: Tag:

Product Description

The miniBOOSTER HC7W high-pressure adapter 7W-430 is designed to connect M22×1.5 threaded ports to 3/4-16 UNF (3/8 HP) connections. Built for extreme hydraulic pressure applications, this adapter ensures leak-free performance using an integrated O-ring sealing system. It is commonly used in high-pressure testing, hydraulic tooling, and fluid power systems where safety and reliability are critical.

Specifications

Parameter Details
Ordering Code 7W-430
Manufacturer miniBOOSTER
Connection A M22×1.5
Connection B 3/4-16 UNF (3/8 HP)
Max. Working Pressure 2,000 bar
Sealing Type O-Ring
Application High-pressure hydraulics

Technical Document

7W-900-09 – HC7W Adapter: Connection Possibilities

Additional information